Understanding Hazards
Published:
Understanding Hazards, Forwarding, and Stall
Fundies TA Team
Updated November 2025
There’s a lot going on in a pipelined processor. Forwarding paths, stalls, bubbles… it adds up fast!
In this article, we review every essential aspect of MIPS pipeline hazards, from identifying hazards, to deriving the logic, to building the circuit, and finally solving a complicated example, so you can see exactly how all the pieces fit together.
Contents
You don’t have to remember “every wire”. But do have a solid sense of all the ideas behind them
- What Is a Hazard
- Producer-Consumer Types
- Types of Forwarding
- M → E (ALU→ ALU)
- W → E (Load → ALU)
- M → D (ALU→ Branch)
- W → D (Load → Branch)
- Implementing the Hazard Unit
- Forwarding Logic
- E Data Path
- D Data Path
- Stalling Logic
lwstallLogicbranchstallLogic- Stalling Circuit
- Forwarding Logic
- Branch Misprediction and Flushing
- Example Execution Trace
What Is a Hazard
In a pipeline, a hazard occurs when a subsequent (consumer) instruction needs a register value that’s not yet available from the producer.
In a 5-stage MIPS pipeline without forwarding, the producer writes its result to the register file (RF) in the Writeback (W) stage, and the consumer reads from the RF in its Decode (D) stage.
ins1 | F | D | E | M ||W |
ins2 | F |×D | E ||M | W |
ins3 | F |×D ||E | M | W |
ins4 | F |↓D | E | M | W |
If ins1 produces a register r1 and later instructions want to use it:
ins2Decodes whenins1is only in E. Value not in RF :(ins3Decodes whenins1is only in M. Value not in RF :(ins4Decodes whenins1is in W. Now the RF has the value :)
RF write happens at the first half-cycle, and RF read happens at the second half
Most MIPS instructions are ALU instructions whose results are produced after the Execution stage. That means we can often bypass the RF entirely and directly forward (↓) the results to the next instruction’s E stage:
ins1 | F | D | E ||M ||W |
ins2 | F | D |↓E ||M | W |
ins3 | F | D |↓E | M | W |
ins4 | F |↓D | E | M | W |
Producer-Consumer Types
Not all instructions rely only on the ALU. Let’s classify the instructions based on when they produce their results and consume their operands.
For this discussion, “ALU” instructions: typical ALU operation that is not a branch or load
If a result is produced at the end of Execute, it will be written into the
Ex-Mempipeline register and will become usable at the start of the next stage (here it’s M) We treat this next cycle as the moment when the result is forwardable
- Producers
- ALU instructions produce their result at the end of the Execution stage (forwardable at M)
- Loads produce their result at the end of the Memory stage (forwardable at W)
- Consumers
- ALU instructions consume their source registers in Execution
- Branches (with early resolution) consume in Decode

Forwarding Types
We’ll say instructions are “one apart” if one directly follows the other in program order.
For each producer-consumer pair, we have a different case. Suppose add, beq, lw have data dependencies
1. M → E (ALU → ALU)
add | F | D | E ||M | W |
add | F | D |↓E | M | W |
M → E forwarding can happen at any sequence
2. W → E (Load → ALU)
lw | F | D | E | M ||W |
xxx | F | D | E ||M | W |
add | F | D |↓E | M | W |
The load result appears only at the end of M (forwardable at W).
Since W and E are two stages apart, W → E forwarding needs at least two instructions apart. If not, the load data is not ready to forward (×):
lw | F | D | E | M |*W |
add | F | D |×E | M | W |
We must stall (*) the consumer for one cycle to forward W → E. This is called lwstall
lw | F | D | E | M ||W |
add | F | D*| D |↓E | M | W |
3. M → D (ALU→ Branch)
Similarly, M → D forwarding needs to be at least two instructions apart.
add | F | D | E ||M | W |
xxx | F | D ||E | M | W |
beq | F |↓D | E | M | W |
Otherwise, we need a branchstall
add | F | D | E | M |*W |
beq | F |×D | E | M | W |
add | F | D | E ||M | W |
beq | F | D*|↓D | E | M | W |
4. W → D (Load → Branch)
This is the worst case. The dependent instructions need to be three apart.
Note that I didn’t draw a forwarding arrow. W → D is a regular RF write/read
lw | F | D | E | M | W |
xxx | F | D | E | M | W |
xxx | F | D | E | M | W |
beq | F | D | E | M | W |
Otherwise, it may require both a lwstall and a branchstall
lw | F | D | E | M |*W |
beq | F |×D | E | M | W |
lw | F | D | E | M | W |
beq | F | D*| D*| D | E | M | W |
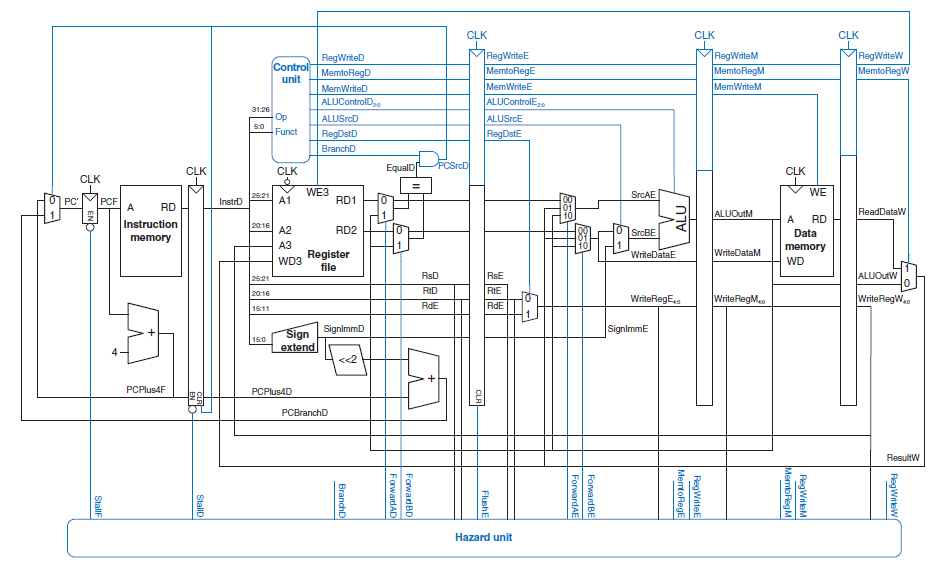
Implementing the Hazard Unit
OK, we know what to do. Let’s derive the logic and implement the circuit.
Forwarding Logic Producer values to forward:
- From M:
ALUOutM - From W:
resultW
Consumer to forward to:
- To E
- To D
Forwarding E Datapath
- The
Adata path at Execution is controlled by MUX, with select bitsfwdAE:
if ( # 10: M → E
RegWriteM # Instr in M writes to a reg
AND (rsE != 0)
AND (rsE == WriteRegM) # Instr in E reads what M writes
)
feed ALUOutM # 10
else if ( # 01: W → E
RegWriteW # Instr in W writes to a reg (load)
AND (rsE != 0)
AND (rsE == WriteRegW) # Instr in E reads what W writes
)
feed resultW # 01
else # no forwarding
feed RF result # 00
- The
Bdata path is similar. Just replace everyrsEbyrtE

Forwarding D Datapath
- The
Adata path at Decode is controlled by MUXfwdAD
if ( # M → D
RegWriteM # Instr in M writes to a register
AND (rsD != 0)
AND (rsD == WriteRegM) # Instr in D reads what M writes
)
feed ALUOutM # 1
else # no forwarding
feed RF result # 0
- The
Bdata path is similar. Just replace everyrsDbyrtD

Stalling Logic
Forwarding and stalling occur only when a data dependency exists. They do not occur just because a branch or load happens to be adjacent to another instruction.
Detecting lwstall
lwstall requires a load instruction to be followed by a consumer one instruction apart
After decoding both instructions (load in E, consumer in D), we detect:
lwstall =
MemToRegE # Instr in E is a load
AND ((rsD == rtE) OR (rtD == rtE)) # The consumer is using lw result
If so, we need to stall.
Detecting branchstall
Similarly, a branchstall requires a producer followed by a branch one instruction apart
After decoding, we detect:
branchstall_E =
BranchD # Instr in D is a branch
AND RegWriteE # Instr in E is a producer
AND ((WriteRegE == rsD) OR (WriteRegE == rtD)) # Branch consumes result
Special case: We also need to stall branch followed by load two instructions apart The logic is similar:
branchstall_M =
BranchD
AND MemToRegM # Instr in M is a load
AND ((WriteRegM == rsD) OR (WriteRegM == rtD ))
Combined, branchstall = branchstall_E OR branchstall_M
Stalling and Flushing
A stall stops the pipeline from advancing, waiting for current stages to finish
Circuit wise, on either lwstall and branchstall, we activate the following wires:
StallF: Freeze PCStallD: Freeze current instructionFlushE: Clear the already decoded operands, creating a bubble (NOP) in execution The flushed data will create a bubble (NOP), which will give extra cycles for data to become ready

Branch Misprediction
Branch misprediction is a control hazard, not a data hazard.
The processor always assumes the branch is “not taken” and fetches the next sequential instruction. If branch is taken, it’s a misprediction.
Below are the steps:
- Resolve the branch in D using early branch logic
- Meanwhile, the next sequential instruction is already fetched into F
- If the branch is taken (misprediction), the instruction fetched in F must be flushed (
FlushD). - At the next cycle, the correct instruction is fetched again.

The flushed instruction also introduces a bubble
Examples
Suppose we have the following instruction sequence. Assume xxx, yyy, and zzz have no data dependencies.
main:
lw A, 1000
beq A, B, branch
xxx
yyy
branch:
zzz
1. Stalling
Suppose the branch is not taken. Sketch the execution trace.
2. Misprediction
Now, suppose the program starts with A != B , but after lw, A == B, so the branch will be taken.
This is a bit of of scope. My initial solution had a mistake. Sorry about that…
